Kettle Reboiler Issue Creates Operational Mystery
Related Reading
Tackle Tricky Kettle Reboiler Issues
Andrew Sloley examines kettle-reboiler failures and offers solutions.
Tackle Tricky Kettle Reboiler Issues, Part 2
Andrew Sloley takes a look at another uncommon kettle re-boiler problem as heavy liquid accumulation reduces heat transfer.
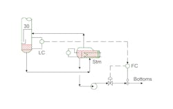
When a kettle reboiler failed to meet its duty requirements, what initially appeared as a simple performance issue turned into something else. Figure 1 illustrates one common kettle reboiler configuration.
The hydraulic balance sets the liquid height in the boot. The liquid level in the boot varies to provide sufficient driving head for liquid flow to the kettle reboiler. Figure 1 illustrates the pressure balance. The level of the inlet nozzle to the reboiler was defined as the pressure loop’s datum line. The static head from the boot liquid level to the data line has to equal the static head from the datum elevation up to the weir in the exchanger, plus the pressure drop losses in the system.
Htρt = ΔPliquid line + ΔPvapor line + Hwρw
Observed height in the tower boot, Hb, varies with the elevation difference between the nozzle levels of the tower and the kettle reboiler.
In some systems, the height from the datum line to the required liquid level for flow (Ht) is low enough that no liquid level is seen in the tower; the liquid level sits in the piping. Fundamentally, the liquid level in the piping is not a problem as long as the nozzle and piping practicalities of preventing vapor pockets in the feed line to the reboiler are met.
In one reboiler that could not do the required duty, the operators observed low liquid levels in the tower simultaneously. Experimentation in the field showed additional interesting behavior. As the liquid level in the exchanger was changed, duty changed. The most likely reason duty was changing was that the liquid level on both sides of the reboiler overflow weir is changing. Figure 2 illustrates this operation. For clarity, Figure 2 shows a lower liquid level in the kettle liquid than Figure 1.
A hole in the baffle between the tube-bundle compartment and the still liquid compartment in the kettle has grown large enough that the liquid in the kettle no longer overflows the internal weir. Part of the exchanger bundle is dry and doing very little duty.
The pressure balance caused the level in the tower to change at the same time as the level in the changed in the reboiler.
Thermal imaging of the exchanger clearly showed the level of boiling liquid below the weir. A field test of increasing the liquid level showed reboiler duty increased and the level of the boiling liquid in the exchanger increased. Regretfully, the level taps on the exchanger had a reduced range and the upper tap was installed below the level of the overflow weir. This prevented a straightforward change in level settings on the reboiler from being an effective temporary operation.
Instead, the level control was shifted to the tower boot, as shown in Figure 3. With this operation, the reboiler tube bundle was fully wet and could meet the required duty.
A couple of observations should be made here. First, the weir plate in the kettle reboiler merits discussion. This weir plate is not a pressure containment component. For this reason, weld quality control and metal thickness here are often an object of economy. Many of these plates are made with less corrosion-resistant alloys and are much thinner than the vessel. However, unlike the vessel, any corrosion from the process can occur on both sides. Some thought should go into selecting appropriate materials and thicknesses and for inspection at turnarounds to keep the weir functional.
Second, the level span on the kettle was deliberately set as being lower than the weir. I do not view this as a mistake. Eventually, an operator will always use the fully available range of any level span at some time. If there are significant safety or operational issues to running a level above a certain point, one way to reduce the probability of that happening is to keep the level taps within the necessary operating range. Some plants and companies prefer to reduce the span so that if it is in range, it is where it needs to be. Others prefer to extend the span for potential future changes and troubleshooting efforts. Both options present a different set of potential problems and advantages. This is an area with no current industry consensus.
About the Author
Andrew Sloley, Plant InSites columnist
Contributing Editor
ANDREW SLOLEY is a Chemical Processing Contributing Editor.




