Salvage A Subpar Scrubber
This Month’s Puzzler
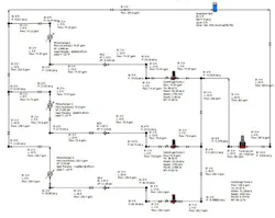
We were contracted to design and install a water scrubber for acetic acid to allow our client to expand its reactor building (see figure). The acetic acid is a byproduct of an acrylic acid process. The scrubber was installed a few weeks ago. The expanded plant just started up two days ago. Unfortunately, it isn’t meeting the emission target. I was sent to investigate.
The scrubber consists of three equal 10-ft beds of high-efficiency random packing. Each bed has a two-ply mist eliminator; v-notch troughs distribute the liquid. Three separate pumps ensure even distribution in each bed.
An initial sampling of the reactor vents shows about 10% dust by weight. This was not anticipated. Also, the pH is much lower than expected from the data sheet provided for our calculations.
On inspection, I found the bottom packing is larger than that specified in the design calculations and the scrubber packing doesn’t match what we used in those calculations. In addition, the packing I sampled from the spare fill material isn’t a uniform material but appears to be broken and off-brand; spare fill is added after the beds settle. After only two days of operation, the blower speed is nearing 100% and the temperature of the scrubber basin is higher than design.
What are our options for improving efficiency, avoiding a meltdown of the packing and pleasing our customer?
Ditch The V-Notch!
There may not be a solution that plant or construction management wants to hear, but some points from the Puzzler description stand out.
First, the words “v-notch distributor” and “high-efficiency packing” don’t really belong in the same statement. V-notch distributors are known for their poor distribution quality. They only should be used in three types of systems where: (a) distribution quality is not important, (b) the systems foul easily and nothing else will do, or (c) liquid rates are very high and no other distributor can be used. Have you taken this into account in the contacting calculations?
Second, a tower properly filled with random packing should have no breakage or settling sufficient to cause noticeable voids that would require “spare fill.” Was the packing damaged during installation?
Third, the random packing should have only a small range in sizes. Nested pieces can lead to packing blockage. There are some exceptions to this but they are unlikely to apply here.
Fourth, is it possible that the mist eliminator has plugged, leading to high pressure drop? If there is even a small amount of packing breakage, then packing pieces might get into the mist eliminator and plug it.
Fifth, because solids are going overhead, can you get some of the solids on a filter? An analysis should show what they are. Even putting the particles under a microscope might tell you if they are pieces of packing.
Sixth, all random packing requires a hold-down to keep it in place. Without a hold-down, the beds will move around slightly, possibly damaging fragile packing. You didn’t mention a hold-down.
Seventh, the larger-than-expected packing size in the bottom doesn’t help — but there are enough questions already that suggest that this is probably not the decisive problem.
Finally, high and increasing blower power indicates plugging or fouling of some of the equipment. This may be the packing, packing support, packing hold-down, collectors or high liquid level. Are you sure the liquid is below the vapor feed line? There are many other potential problems as well but this list gives you a starting point of what to look at.
Andrew Sloley, principal consultant
Advisian, Houston
Assess Various Options
Evaluate the following:
• If possible, try reducing the temperature of deionized water to the absorber.
• Check the discharge pressure and flows in the pump-around. Low level on the chimney tray could cause pumping problems, which will affect absorber performance.
• If the absorber has a large diameter, (>3 ft), consider a vapor sparger or gas distributor for the incoming acetic acid vapors.
• Determine the particle distribution of the dust in the incoming acetic acid vapor stream.
• Assess installing a filter before the acid stream enters the absorber.
• Because there is a concern about “packing meltdown,” consider cooling the incoming vapor and a high temperature alarm on that stream.
• Acetic acid is a weak acid with relatively low dissociation. One molar solution shows pH of approximately 2.4. If the pH is much lower than that, you must determine the cause. There may be strong acidic species that you may not have accounted for. Consider corrosion and ensure metallurgy is compatible with the range of compositions of the incoming vapor.
• Liquid distributor trays should be level.
• The problem also mentions that “fill material appears to be broken.” This could have happened because of a sudden increase in pressure or flow of the incoming stream, maybe during a startup. In addition, the control scheme for the incoming stream (say, on flow control) could cause swings in flows, e.g., high gain or low proportional band of the flow controller.
GC Shah, senior advisor
Wood Group Mustang, Houston
Try Some Tricks
Your customer isn’t going to want to hear it, but you designed the tower based on the customer’s design data and faith that the construction crew would build as designed. The project scope should have covered back-checking the design against construction but often this is the first item cut to save money. A few cheap options can improve performance if you can live with some modifications. The dust problem, I’ll table until the end.
The first option is to raise the circulation rates for the pumps as high as possible. This will give you the equivalent of a few more feet of packing by reducing the liquid film resistance to mass transfer. It won’t buy you much — and mass transfer actually could fall instead if foaming occurs. Unfortunately, increasing the impeller size for most pumps is only slightly cheaper than replacing the whole pump. Besides, the current pump probably wouldn’t be operating optimally with the larger impeller.
Another option is to move the fresh water make-up to the demister and use a spray nozzle for good distribution. Mesh pads are at least five times more efficient than random packing though more prone to fouling; you may want to add a differential pressure transmitter across the mesh pad but these are also prone to fouling. Clearly, the method for adding fresh water is flawed.
Merely dropping the water in the scrubber basin or in a trough is a waste of mass transfer potential. Spraying will increase transfer significantly but will require cutting into the tower and some pipe work. You want a coarse droplet, not a fine mist that will be carried over by the gas stream.
Lastly, try one of my favorite tricks. Add a chiller to cool the make-up water as low as possible. This reduces the vapor pressure from the exothermic process of absorbing an acid in water. I’ve seen more than an eight-fold decrease in packing depth by using this practice with HCl scrubbers. It almost doesn’t matter what packing you use with this trick.
There’s another reason for chillers. One of the troubling aspects of the low pH is the heat of absorption. A glass-coated-polypropylene (PPG) packing provides little protection against oxidation and melting: a life expectancy of 2–3 years is typical. Engineers buy PPG and polypropylene (PP) packings because they have better wetting properties with water than ceramic and because PP can be made more easily into forms that promote liquid dripping. I bet that the packing is melted in the axially centered region where the gas velocity is the strongest. Melting is a particular problem during startup and shutdown when there is residual heat. I’ve seen situations where, due to inadequate liquid flow, packing only could be removed with saws.
As for the dust entering the tower, there are a few options to consider. First, remove the mist eliminators from all but the top bed. Second, think about replacing the bottom tower packing with the coarsest packing available — if you add the chiller, mass transfer won’t matter much. Fouling from the dust likely will be in the bottom bed. Inspect it often and evaluate your options. One option might be to add a gas sock filter upstream of the scrubber or a venturi; a venturi works best if the resulting slurry can be separated from the scrubber bottoms. These changes will be costly because they affect the blower downstream.
Dirk Willard, consultant
Wooster, Ohio
July’s Puzzler
We design anaerobic digester systems for clients who use the generated methane for power. In addition, we operate some facilities. Our design relies on spiral heat exchangers that have a solution of 50% propylene glycol and water (PG/aq.) on one side and sludge or manure on the other side. The manure is heated to 110°F by PG/aq. at 185°F–160°F.
We’re suffering a lot of problems with our design, especially the heat exchanger loop (see Figure 1). One problem is poor heat transfer because some manure has migrated to the glycol side; this also is a safety issue because the glycol system is closed. In addition, we’re under scrutiny by the U.S. Environmental Protection Agency because of hydrogen sulfide emissions.
Figure 1. Leak of manure into propylene-glycol/water side of spiral exchanger impairs heat transfer and poses safety issue.
The people in our operations group are certain the culprit is poor welding in the exchangers; they can’t see how leaks can be detected in the spiral exchangers. So, they have persuaded management to switch to a shell-and-tube exchanger with one shell pass (manure) and two tube passes (glycol solution). I’m not convinced about the design and don’t think operations has proved their point — what do you think? Is that shell-and-tube exchanger a better choice than the spiral?
Send us your comments, suggestions or solutions for this question by June 16, 2017. We’ll include as many of them as possible in the July 2017 issue and all on ChemicalProcessing.com. Send visuals — a sketch is fine. E-mail us at [email protected] or mail to Process Puzzler, Chemical Processing, 1501 E. Woodfield Rd., Suite 400N, Schaumburg, IL 60173. Fax: (630) 467-1120. Please include your name, title, location and company affiliation in the response.
And, of course, if you have a process problem you’d like to pose to our readers, send it along and we’ll be pleased to consider it for publication.

