Processing Equipment: Untangle Tower Trouble
This Month’s Puzzler
Our client is having trouble with a C3/C4 (propane/butane) splitter in a fluid catalytic cracker. I’d like to impress the client by solving its problems but am confused by the information collected during the kick-off walkdown.
The splitter tower has a tight i-C4 limit. The real problem is C3 impurities in the bottoms. A third of the trays in the upper tower were replaced a year ago by a bed of 1-in. packing to improve C3 recovery from the bottoms. However, recovery didn’t improve. A distribution plate instead of spray nozzles distributed the liquid over the packing; the reasoning was that this would avoid the nozzles’ turndown limitations and their risk of fouling. The plant then introduced spray nozzles anyway — with no effect on recovery.
The operators are fairly new because of cutbacks in staff. They tell me that to their knowledge the tower has always performed like this. One older foreman says performance was better before the packing replaced the trays but the trays were old, corroded and leaking. Corporate engineering installed pressure transmitters across the packing a few months after the packing was installed. The pressure drop was higher than expected, so the 1-in. packing was replaced by 2-in. packing. However, this didn’t improve tower performance. Unfortunately, the upper and lower pressure transmitters weren’t trended because of limited distributed-control-system memory. Corporate engineering modeled the beds and can find nothing wrong with its decision to replace the trays.
How should we approach this problem?
[callToAction ]
Fill In The Gaps
Work with the vendors and corporate engineering because it doesn’t sound like there’s much depth at the refinery; instead of a confusing flurry of contradictory information, you have little. Start with equipment records. If there aren’t any, collect the maintenance files and equipment tags if all else fails. Then, get the vendor files and make comparisons: create a timeline of changes to the tower.
Because refinery shutdowns are few and far between, try techniques that avoid disrupting production — unless tower performance worsens. Forget about pressure data: unless the same precision gauge always is used, measurement error will preclude divining a problem. Creating a clear picture without trend data is problematic at best. Also, forget about models: they’re good for design but not much help for solving mechanical problems within a tower.
Here’s how to approach this problem:
1. Collect new data. Bump the tower parameters, i.e., feed conditions, recycle, etc., and see how this affects product qualities. A slight change can show much without damaging product.
2. Review maintenance records. Has anything else changed in the tower? Sometimes, maintenance items that seem minor, like changing out an identical condenser control valve during a turnaround, don’t get considered because they are so routine.
3. Consider what changed. How does the tower performance compare now to the past?
4. Expand the analysis to include the entire tower, not just the new packing. What happens under the packing is just as important as what happens in the packing.
5. Present these data to the original tower design vendors, the designer of the packed section, and other vendors.
6. Review options. Consider the ones that have the greatest chance of success and least risk to production first. Look at options that will confirm or refute causes. Also, deploy options that don’t require shutting down operations completely.
7. Create a checklist for inspection when the tower is down. Include the following: a) confirming that the liquid tray is level and not plugged; and b) pulling the packing out and checking for breakage and how the gas is distributed at the bottom of the section — poor performance in random packing can depend on gas and liquid distribution.
Dirk Willard, consultant
Vernon, Texas
April’s Puzzler
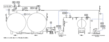
Our refinery sells propylene to a polymer manufacturer. The railyard loading system (Figure 1) at the edge of our site usually gets little attention; I reckon it largely has been ignored for decades. However, the system drew management notice when we went through a patch of extremely cold weather. The frigid temperature caused the air lines to the control valve to plug when moisture in the lines froze. When I went to sort out that issue, the foreman was eager to share his other troubles: 1) the pump vapor-locks; 2) the compressor starts and stops too frequently, leading to too rapid replacement of the motor starter heaters; 3) the pressure relief on the compressor pops open often and sticks open; 4) the measurement from the orifice plate is erratic; 5) the pump frequently must go to the shop, mostly to replace seals and bearings; and 6) units at the refinery can’t agree on an outage schedule to allow shutting down system for cleaning and maintenance. What can I suggest to improve this operation?
Figure 1. Long-neglected system is suffering a variety of problems.
Send us your comments, suggestions or solutions for this question by March 9, 2018. We’ll include as many of them as possible in the April 2018 issue and all on ChemicalProcessing.com. Send visuals — a sketch is fine. E-mail us at [email protected] or mail to Process Puzzler, Chemical Processing, 1501 E. Woodfield Rd., Suite 400N, Schaumburg, IL 60173. Fax: (630) 467-1120. Please include your name, title, location and company affiliation in the response.
And, of course, if you have a process problem you’d like to pose to our readers, send it along and we’ll be pleased to consider it for publication.

