Process Puzzler: Mend A Mixing Mix-Up
This Month’s Puzzler
As a process control consultant, I was brought in to fix a blending problem with a set of static mixers installed to replace an agitator ( see figure). The four static mixers are supposed to blend ingredients together before sending them to a feed tank for a packaging line. The liquid ingredients range from 0.3 cP to 250 cP; there’re also some solid ingredients that make up about 1% of the final volume added. The plant hired me specifically to tune the loops for precise control.
According to the production manager and maintenance engineer, the startup with the new controls was a disaster. They were expecting tuning to solve all their problems. They are refusing to pay me.
In confidence, an operator revealed to me that the plant used to blend these ingredients in a baffled agitated tank by batch; the blended stream goes to the feed tank for packaging lines. However, when the agitator gearbox failed, the maintenance engineer reckoned he could save money by abandoning the agitator in place and replacing it with static mixers — despite the quality control manager’s protests that not using the agitator would make achieving six-sigma results hard. It doesn’t help that some ingredients are solids.
The materials that pass through the static mixers go to the feed tank. That small unbaffled tank has a tiny agitator (for the size of the tank); the tank oscillates like a bobble head.
Should I admit I blew it? Should I have investigated the quality control problem a little more before accepting the job? Is there anything else you can recommend to fix this problem?
Try An Inductor
Here are my thoughts: Static mixers could be used to replace the agitators when mixing liquid ingredients. However, there was a solid ingredient in this application. The operator mentioned “the plant used to blend these ingredients in a baffled agitated tank by batch; the blended stream goes to the feed tank for packaging lines.” This means the solid suspended well and did not settle in the pipeline and inside the feed tank.
In the new set-up with the static mixers I assume the liquid ingredients were being mixed by the static mixers while recirculating — then transferred to the feed tank, where the solid ingredient was added. With a tiny agitator and no baffles, the solid may not be dispersed well. This may contribute to the inconsistent product. I would recommend to use an inductor system, like the venturi principle, to add the solid ingredient while the liquid ingredients are being mixed and circulated through the static mixers.
The oscillation of the tiny agitator could come from the natural frequency/critical speed of the agitator shaft. Using a variable frequency drive to change the running speed would solve the problem.
Jian Deng, inside sales engineer
Charles Ross & Son Company,
Hauppauge, N.Y.
Seek Expert Help
Consider this: Several pieces of information are missing from the problem statement and the drawing:
1. What type of static mixer was used? Static mixer vendors offer a variety of mixer designs, each suited for narrow range of applications such as dispersion, static mixing of high viscosity liquids, laminar mixing, turbulent mixing and others. A mixer for one application may show poor results in another application.
2. What is the length of the mixer? Based on type of liquids and flow regime (turbulent, laminar, transition), vendors recommend a certain minimum length to accomplish mixing. Shorter length will result in poor mixing.
3. What does “did not work” specifically mean? Was the static mixer plugged? How bad was the mixing? As noted above, make sure the mixer type is fit for the application and you have adequate length of mixer. Get help from the vendor.
Now, let’s consider some testing the vendor might propose:
1. Running mixing tests with the help of the vendor.
2. Using an analyzer to show degree of mixing. The analyzer will keep circulating the liquid mix back to the tank if the analyzer shows poor mixing. The forward flow to the second tank (feed tank) will occur when mixing is adequate.
3. Exploring split-range control. The issue we need to address is how to measure degree of mixing with an analyzer. If viscosity of the mix is an indication of degree of mixing, we can have viscosity as the set point. You may also consider mixture density as an indicator for degree of mixing. Whatever surrogate variable you use for degree of mixing, the analyses should be quick; if the analyzer takes too long, you won’t be able to use it for control. (Too long a lag time could make the control totally ineffective.) Here again, seek help from experts at mixer vendor.
GC Shah, senior advisor
Wood Group, Houston
Not A Wise Move
Agitators are expensive to maintain but are reliable — and usually unavoidable; I’ve seen agitators still providing reliable service 32 years after their manufacture date. Static mixers are meant for liquid/liquid blending of similar liquids.
Static mixers also can be used to help in heat transfer but are a poor choice because of the expense of pumping liquid compared to agitation. Even a small agitator can produce three times the fluid circulation of a large pump. And as the size of a pump goes up, the size of the static mixer goes up. Why not buy an agitator instead? As for heat and mass transfer of viscous liquid, a static mixer could be valuable if the flow rates are modest. If you’re thinking about pumping 100 gpm of 2,000-cP liquid around, the cost is probably prohibitive but the ability of agitators and a heating or cooling coil to work effectively diminishes, making such a use of a static mixer perhaps the only way to go. In my experience in polymer mixing, I’ve investigated accidents where heat could not be dissipated fast enough, resulting in an explosion. Part of this problem was high solids loading of the batch but I doubt if static mixers would have been the answer to the problem.
Solid addition is always tricky, especially where small amounts of ingredients are added by hand. Six sigma? I doubt it, especially for a batch process; at best, maybe two sigma. Mixing solids into solution is another difficult process. If the ingredients fail to blend and accumulate in the bottom of the tank, the additions must be adjusted and lot variation will make it impossible to achieve consistency. Buying pre-blended liquids means storage and other quality control problems.
Who put the idea in your client’s head that the problem was a quality control one? If you did to make the sale, then, as Shakespeare wrote, you are “hoisted by your own petard.” If the client thinks process control is a factor, it’s wrong. Too often instrumentation and controls are thought to be the way to cure or lessen a bad design. It’s better to fix the bad design than wake up to find that the additional controls provide their own brand of headaches — if they provide a solution at all.
As for the unbaffled center-mounted agitator, this is a disaster. Solid-suspension and mixing will be incomplete and the tank anchors and agitator gearbox will take a beating.
There is a minor improvement in process control that might help: go with electric actuators instead of pneumatic ones. This change will reduce sticky response by taking the actuator out of the picture.
Dirk Willard, consultant
Wooster, Ohio
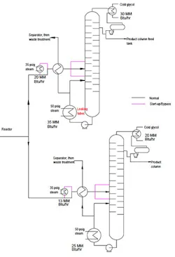
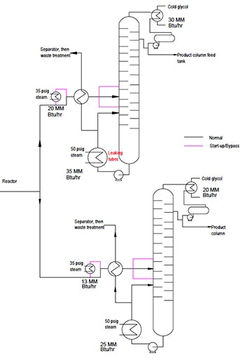
Figure 1. Strong product demand adds to pressure to avoid an emergency shutdown.
January’s Puzzler
The reboiler on our 30-year-old distillation column (Figure 1) finally has failed us; the tubes have been replaced four times. However, we would like to avoid an emergency shutdown and wait until a scheduled outage in a few months. Recently, we added a duplicate second column; we installed that column to allow boil-outs because changes in feedstock caused fouling every quarter year in the old column. Product demand has both columns running as hard as possible. Any suggestions for how we can maintain production? If need be, our other plants may be able to pick up the slack. Should we abandon the old column and rebuild it? I’ve also discovered a second problem: nobody can find the R-stamp report for the first three tubesheet repairs. I ran into a similar problem when I checked some other heat exchangers in these columns: we have the last R-stamp report but we’re missing others. What can be done? Do we need to worry?
Send us your comments, suggestions or solutions for this question by December 13, 2019. We’ll include as many of them as possible in the January 2020 issue and all on ChemicalProcessing.com. Send visuals — a sketch is fine. E-mail us at [email protected] or mail to Process Puzzler, Chemical Processing, 1501 E. Woodfield Rd., Suite 400N, Schaumburg, IL 60173. Fax: (630) 467-1120. Please include your name, title, location and company affiliation in the response.
And, of course, if you have a process problem you’d like to pose to our readers, send it along and we’ll be pleased to consider it for publication.

