Keep Bundle Blunders at Bay
Click Image To Enlarge
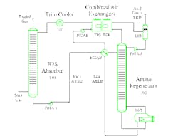
Figure 1 -- Cold weather problem: In this gas processing unit,
opposing demands in combined air exchangers can lead to ice formation.
Major problems can occur if the duties of each service need to move in opposite directions toward exchanger limits. Figure 1 illustrates one unit with such a problem. It shows a simplified flow diagram of a gas processing train for removing hydrogen sulfide and other acidic gases from a fuel gas.
An absorber (T01) with an ethanol-amine removes the acidic components from the gas. Amine regeneration takes place in a steam-reboiled stripping tower (T02). Heat integration (E02AB) reduces the overall energy required. The bulk of heat rejection occurs in two air-cooler bundles (E04, E05) that share a common bay. A small trim cooler (E01) lowers the lean amine to the temperature required to get the needed H2S absorption. Rejected H2S goes to a sulfur recovery unit (SRU).
The process scheme works fine in both theory and practice — if you properly account for the realities of the service. Otherwise, it can suffer from a major problem related to the shared air-cooler bay and another occasional problem during exceptionally cold days.
Ideally, the lean amine temperature to T01 and the T02 reflux drum condenser (D01 temperature) should stay within reasonably strict temperature limits. In this unit, you must maintain the lean amine temperature at around 115°F to get the required H2S content in the treated gas. Higher temperatures lead to too much H2S escaping in the treated gas.
You must keep D01 temperature at around 200°F to prevent significant hydrocarbons’ accumulation in the condenser. Too much build-up will shift the vapor/liquid equilibrium and allow the hydrocarbons to escape to the SRU. While that unit is designed for an aqueous feed and can tolerate a small steady level of hydrocarbons, a sudden spike from the hydrocarbons’ escape can put its sulfur product off-specification.
Most amine units suffer from severe fouling problems and this unit isn’t an exception. Problems start when heat-integration exchangers E02AB foul, boosting cooling duty requirements in E05. However, the duty needed in E04 doesn’t change. Operationally louvers on E05 open and louvers on E04 don’t. The combined bundle works reasonably well until louvers on E05 reach around 75% open. Then air cross-flow between the two bundles starts to become a problem. The temperature out of E04 drifts too low even at minimum louver opening. Regulatory and transportation limits set maximum H2S content in the treated gas. Hence, the plant allows the T02 overhead temperature to drop and lives with the consequences.
Extreme cold weather makes the situation worse. Gas demand is higher, necessitating more throughput. However, at such low temperatures ice can form inside the E04 tubes if air rate is too high. Nevertheless, the
H2S limits force E05 to operate at maximum duty. Weather at this plant location just borders on the temperatures where freezing problems can occur.
Here, combining E04 and E05 into one bundle results in extensive work to keep the amine clean and mandates frequent exchanger E02AB cleaning.
Combining small air coolers into a single bay is a useful tool to save capital — but you must understand the implications when service duties need to move in opposite directions and for coping with extreme conditions. Think about the process when things don’t always work as planned. Look in detail at limiting operations.
Andrew Sloley is a Chemical Processing Contributing Editor. You can e-mail him at [email protected].

