Dividing Wall Column Provides Sizable Energy Savings
Figure 1. Unit for separating mixed xylenes now has been operating at Japanese refinery for over a year.
As energy sectors enter a phase emphasizing energy reduction, interest is growing in dividing wall column (DWC) technology for distillation. For example, a recent installation took place at a refinery complex in Chiba, Japan, owned by the TonenGeneral Group. There, the DWC recovers 230,000 t/y of high-purity mixed xylenes from a full-range reformate feed.The project was implemented in early 2016 with the intention of rejuvenating petrochemical business in Japan. Mixed xylenes, along with other heavier components, traditionally had been used as gasoline base stock in the refinery. However, to improve profitability, TonenGeneral decided to separate the mixed xylenes. The DWC (Figure 1), which has a processing capacity of 1,170 bbl/d, has been fully operational since April 2016. It recovers 98.5% of mixed xylenes (C8 aromatics) contained in the feed.
Opting for the DWC instead of a traditional distillation column for the separation provided significant savings: 19% in capital cost and 20% in utilities.
A DWC features a vertical wall that separates the column shell into two sections. This eliminates the thermodynamic inefficiencies associated with a regular column operating in a traditional sequence — and the need for an extra column to separate the same number of products.
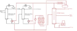
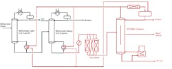
Figure 2. Addition of the DWC and other modifications (shown in red) resulted in significant energy savings.
The column operates at an elevated pressure (635 kPa). As a result, the hot overhead vapors are collected at 189°C and used to provide reboiling duties to the upstream reformate light-cut and heavy-cut columns, as shown in Figure 2. Prior to the DWC installation, the reboilers of those two columns operated on steam. Heat integration of the DWC with the upstream columns reduced steam consumption by 20 t/h.
The column has a diameter of 4 m and is approximately 80 m in height. Its large dimensions necessitated transporting the column in three parts, each 25–30-m long, and assembling them together on site.
The DWC internals were installed inside the tower after completion of pressure and air-tightness tests. The wall was tag-welded slightly off center (Figure 3). The whole installation took about two months to complete.
Table 1 summarizes the results of a performance guarantee test.
Figure 3. The wall, seen in the center right of the photo, is positioned slightly off center.
The purity of C8 aromatics obtained during initial startup of the column was around 80–90 wt. %. Following stabilization of the column and implementation of an advanced degree of control (post June 2016), the purity now is maintained at around 99 wt. %.
Regulation of the column involves three primary control loops:
1. Side-draw product rate is cascaded to a temperature indicator (TI) on an upper tray.
2. Flow rate of fuel gas for the fired heater is cascaded to another TI on a lower tray.
3. Reflux flow rate is cascaded to the temperature of the overhead vapors, to control the heat provided to the upstream columns.
An Attractive Option
Compared to conventional distillation columns, DWCs provide significant energy and capital savings, both approximately 20–30%. So, they hold a promising future for separations requiring distillation.
Table 1. Results significantly exceed product specifications.
MANISH BHARGAVA is licensing manager – advanced distillation systems for GTC Technology US, Houston. ROOMI KALITA is licensing process engineer – advanced distillation systems for GTC Technology US. JOSEPH C. GENTRY, PE, is vice president – technology, R&D and engineering for GTC Technology US. NORIHITO SUZUKI is staff engineer in the technical department of TonenGeneral Sekiyu in Chiba, Japan. E-mail them at: [email protected], [email protected], [email protected] and [email protected].




