Recovering Exhaust Heat for Conditioned Air Facilities
As detailed in an earlier Chemical Processing article ("Managing Wastewater Treatment Odors," September 2001, p. 38), mixed-flow technology systems can eliminate wastewater treatment facility exhaust odors, effectively diluting the exhaust gas stream by mixing it with outside air. These systems mix fresh air with wastewater process exhaust gases until a suitable concentration is released and the odor no longer is perceptible or objectionable.
Mixed-flow impeller technology offers another key advantage to the chemical process industries, however. At facilities such as research laboratories and/or chemical process areas requiring 100 percent conditioned makeup air, these systems ," when used with accessory heat exchanger coil modules ," can recover heated or chilled ambient air before it is exhausted into the atmosphere. They then can recirculate it into the building's intake system, potentially providing substantial energy savings.
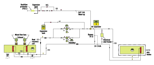
Fig. 1 shows a typical roof-mounted heat exchanger/mixed-flow impeller system. Fig. 2 provides a flow diagram of a heat exchanger system with two mixed-flow impeller exhaust systems.
Figure 1. Heat Exchanger/Mixed-flow Exhaust System
Figure 2. Runaround-Coil Heat Recovery Flow Diagram
Slashing energy use
With the high energy costs for heating and cooling, building operators, owners, contractors, managers and designers are looking for relief from many sources. Heat-recovery coil modules, essentially heat exchangers, combined with mixed-flow impeller exhaust systems are highly efficient: For each 1 Degrees F of heat added to makeup air, for example, energy costs are reduced about 3 percent. It is not unusual to see yearly heating energy cost reductions of 30 percent or more. Similar savings ," although not quite as dramatic ," also can be realized for cooling.
In many industries, energy represents an extremely high proportion of expenses. It is not unusual in some chemical processing facilities to use 15 percent or more of an entire operating budget for energy. Although today's energy costs are relatively stable, they have fluctuated wildly over the past few years. And they could do so again ," particularly in light of the current geopolitical conditions around the world in general, and in many of the oil-producing countries in particular.
Major energy users are shelling out thousands or even hundreds of thousands of extra dollars for heating and cooling, and these costs are increased substantially when conditioned air is mandated to comply with health and safety requirements. When laboratory workstation fume hoods are exhausted, for example, or ambient air is exhausted from a controlled environment at a chemical processing facility, conditioned air must replace the ambient air lost during the process. This air has to be heated or cooled, depending on climate.
Mixed-flow impeller systems with heat-recovery modules can provide building owners with a return on investment (ROI) as short as two years. In general, these systems are usable when outside air temperatures are below 40 Degrees F or above 80 Degrees F, because a large enough difference in temperature must exist between outside and inside air for operating efficiency. If heating and cooling costs represent a large expense item at a chemical processing facility, mixed-flow technology might offer dramatic relief to the bottom line.
Beyond energy savings
Mixed-flow impeller technology for process exhaust applications offers benefits beyond energy savings ," it also eliminates air pollution problems, prevents exhaust re-entrainment, controls odorous emissions and costs less to operate than traditional centrifugal fan systems with tall exhaust stacks.
It also provides a low-profile solution ," eliminating the "smokestack" look and the associated negative perceptions. In addition, the technology could help a chemical facility conform to applicable architectural/aesthetic ordinances. The low-profile mixed-flow impeller fans do not require structural reinforcements on the roof or complex, nor do they require expensive mounting/stabilizing hardware such as guy wires, elbows, flex connectors or spring vibration isolators. Mixed-flow impeller systems also are virtually maintenance-free ," they have no belts, elbows, flex connectors or spring vibration isolators.
Conclusion
Energy costs for conditioned make-up air burden many organizations in the chemical process industries. Depending on the circumstances, this air must be filtered, heated, cooled, humidified or dehumidified (or some combination). Conditioned environments such as laboratory workstations and many process facilities require safe, energy-efficient, pollution-free exhausting. In applications such as these, mixed-flow impeller technology with heat recovery modules offers a practical alternative to many current methods for accomplishing these objectives.
Before investing in this technology, however, a chemical plant should evaluate its climatological conditions. Plant personnel should review a full year's worth of outside temperatures to help make a better determination.
Tetley is vice president/general manager of Strobic Air Corp., a subsidiary of Met-Pro Corp., Harleysville, Pa. Contact him at [email protected].



