Kayo Another Compressor Catastrophe
THIS MONTH'S PUZZLER
Our new two-stage non-lubricated reciprocating recycle compressor that supplies 93% H2 to our diesel hydrotreater suffered a catastrophic event after a troublesome 20 hours. The valve disc plate on the second stage inlet broke. An outside-operated, port-type five-step unloader controls flow. Our operator was alerted when the safety valve on the first stage blew; this is the third event. After inspection, we discovered the paint on the cylinder was smoking. None of the alarms warned us of this event: the thermocouple in the damper indicated normal. Afterwards, we decided to add a flow meter in the discharge line to monitor the compressor output. The direct-drive motor is 1,000 hp and operates at 400 rpm. The compressor capacity is 6,700 scfm. The suction pressures and temperatures are: 242 psig, 86°F for stage 1 and 427 psig, 95°F for stage 2. The discharge conditions are: 434 psig, 210°F for stage 1 and 768 psig, 230°F for stage 2. The safety valve settings are 470 psig for stage 1 and 840 psig for stage 2. The valve is a concentric ring type. We have had a few previous events with this compressor: 1) a leak in the second inlet valve seat caused the first safety valve to open — the valve was replaced; 2) a copper gasket between the valve and the frame was destroyed by the cage locking the valve, which caused the first stage safety valve to open — this valve is difficult to install but we replaced it. What do you think caused these problems? How do we improve monitoring?
FOCUS ON THE KNOCK-OUT DRUM
Because most of the trouble seems to involve the 2nd stage inlet valve, I would focus on the inter-stage knock-out drum. I will assume since your compressor is in DHT recycle gas service there is some H2S, NH3, and H2O present. A quick Aspen simulation of 6,700 cfm of 93% H2/7%CH4 gas saturated with water shows that dew-point is reached between the first and second compression stages at the conditions described. The 132-lb/hr condensed stream of primarily water must be totally removed with various demisting technology; if even small amounts carry through the inter-stage knock-out drum as mist, it can become corrosive to the steel piping on the way to the 2nd stage cylinder due to the H2S and NH3 present. Because the inlet valves on reciprocating compressors are usually on top of the cylinder, solids and liquids fall down from the snubber and land on the concentric-ring inlet valve, which acts as a sieve to accumulate pipe scale, eventually causing the valve to stick open or become blocked.
Chris Rentsch, Associate Research Scientist,
Dow Chemical, Midland, Mich.
WATCH THE DISCHARGE TEMPERATURE
Burning or even smoking paint should raise an alarm. Manufacturers often use paint to identify overheating. I read somewhere that the ignition temperature of paint could be in the 500–700°F range. This is a concern because the maximum discharge temperature for a gas with a molecular weight less than 12 should be less than 275°F. I see three possibilities for the cause of the valve failure: 1) a dirty gas; 2) abnormal pulsation; and 3) valve selection or installation.
First, let's consider basic control requirements for a reciprocating compressor. This type of compressor is a constant-volume, variable-discharge-pressure machine running at a constant speed. There are two operating modes: on/off control and constant speed unloading. Only constant speed applies here because on/off is for intermittent service. With constant speed, the capacity is controlled by opening suction valves on the discharge stroke in three- or five-step unloading increments; five is more efficient than three. Typical instrumentation includes an inlet flow meter to stage one, a downstream pressure transmitter or high-low pressure switch on a receiver, and temperature switches on each compressor stage. (Temperature switches are better than transmitters in responding to trouble). Opt for a resistance temperature detector (RTD) rather than a thermocouple for better accuracy. If space is limited, you'll want a reading in the distributed control system. There may be a way to wire the switch to the probe for the analog measurement. It might be nice to get as close as possible to the valve disc or wherever the flow is fastest through the valve because the gas must heat the body of the valve before it is registered on the RTD.
As for the valve, you may need to confirm its materials of construction and type are appropriate. The vendor who sold you this compressor should have first crack at these problems. You may want to convert to a poppet-type valve with many holes instead of a single moving plate. Of course, this choice has its own set of problems.
I would be concerned about the damage done by these events and by the ineffective protections provided by instruments. When these valves fail, flow may decrease to zero, causing the remaining gas in the cylinder to increase in temperature. You should tear down the compressor and replace the packing on the pistons. This seems to be indicated by the leaks and high temperature in the stage valves. Adjust your temperature alarms and trip off the compressor for temperatures near 275°F. Remember to account for lag in all temperature measurements. I wonder if it might be worth measuring the recycle flow in your case.
Another concern would be the seals on the safety valves. The high temperature witnessed may be too much for any of the seals in the equipment and instruments around the compressor.
Dirk Willard, Senior Process Engineer
Ford, Bacon & Davis, Greenville, S.C.
MARCH'S PUZZLER
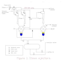
The two-stage steam ejector system for our vacuum distillation column (Figure 1) causes us numerous problems. Startup is difficult because of poor vacuum control — especially during the summer when our cooling-tower water runs warmer than usual. When this occurs, we cut the tower vacuum but that only gives modest improvement. Moreover, ever since we began using higher ratios of high-sulfur Canadian crude, we've had corrosion and erosion issues. Recently, the motive steam nozzle split and leaked, causing us to pull air instead of tower vapor. We swapped the carbon steel ejectors for Type-316 stainless steel ones but still experience erosion in the ejector diverging nozzle, converging diffuser and even in the outlet diffuser. We're also wondering whether we should capture more of the hydrocarbon vapors now lost to the thermal oxidizer. How can we improve this operation? What's behind our corrosion problem? Should we be concerned about the economics of the thermal oxidizer?
Figure 1. Vacuum control and corrosion issues undermine operation.

