Take A Fresh Look At Your Distillation Columns
Opportunities abound for enhancing the performance of tens of thousands of distillation columns in use worldwide today. However, that requires looking at every aspect of their operation, maintenance and management, say experts.
Jose Bravo, president of Fractionation Research Inc., Stillwater, Okla., points to a variety of energy saving measures that have been — and still are being — implemented in distillation systems worldwide. They encompass three broad areas: process integration, peripherals, and advanced control and optimization.
[callToAction]
Process integration can take advantage of a range of technologies. For instance, he cites dividing wall columns and notes that hundreds of such columns now operate at chemical plants and refineries. (For more details on the technology, see: “Consider Dividing Wall Columns”). He also mentions several dozen projects for recovering heat from condensers to preheat feed, a similar number involving lower pressures in main fractionators at refineries, and the use of advanced packings and re-traying to reduce pressure drop.
The second category includes developments such as enhanced surface tubes for condensers and reboilers. In the third group, he counts technologies such as smart controls, adaptive controls, model-based controls and on-line continuous optimization.
Importantly, however, he notes that energy alone usually isn’t a large enough economic incentive.
Figure 1. Complex 1 had the potential to supply very low pressure steam and hot water. Source: KBC.
“All these projects are always associated and justified with other drivers as well, energy being only one. The others are, generally, lower capital for expansion or new capacity, safety or reduction of carbon dioxide footprint. Combined, they often give a positive economic outlook that allows the plants to invest,” he emphasizes.
Improving Existing Operations
Henry Kister, senior fellow and director of fractionation technology for Fluor, Aliso Viejo, Calif., has experience with all these drivers. However, one crucial issue often overlooked is making the most out of existing equipment, he notes.
“Troubleshooting, revamping and eliminating waste can offer huge benefits in capital investment, downtime, carbon dioxide emissions and energy use. Unfortunately, the attention paid to this resource in the energy-saving literature has been too little to reflect its tremendous potential,” he stresses.
Kister points to a broad range of examples in Norman Lieberman’s book “Process Engineering for a Small Planet: How to Reuse, Re-Purpose, and Retrofit Existing Process Equipment” as a perfect demonstration of how subpar engineering, poor troubleshooting, and wasteful practices guzzle energy, generate carbon dioxide, and waste the earth’s resources.
In one, Lieberman describes a case in which modifying trays and downcomers in a fractionator as well as adding mist injection to the overhead compressor could have circumvented erecting a giant new fractionator with a new oversized overhead compressor. “Just the compressor oversizing was estimated to waste the amount of crude oil that 400 families use daily. Fabricating the new steelwork and structures consumed immense amounts of energy and emitted tons of carbon dioxide, all of which were unnecessary,” says Kister.
In another, Lieberman recounts how he was tasked with designing a new, $4-million pre-flash tower to replace an existing one that experienced flooding. “Instead, he spent one day eliminating the flooding in the existing tower by reducing the bottoms liquid level (high levels caused flooding), and blowing the level taps on the reflux drum water draw-off boot, unplugging them to prevent refluxing water which caused emulsion and flooding on the trays,” Kister points out.
A third example he mentions involves Lieberman being tasked with designing another new tower to recover diesel from the bottoms stream of a refinery crude fractionator. Instead, he opted to troubleshoot, measuring zero pressure drop across the fractionator bottom trays, and observing that stripping steam rates did not affect diesel recovery. “Both indicated missing stripping trays. Repairing the trays fully solved the problem and modifying the steam entry prevented recurrence, circumventing the unnecessary new tower with its steelwork, energy waste and associated carbon dioxide emissions,” Kister adds.
“Lieberman presents a book full of similar experiences, with different degrees of management support to his troubleshooting endeavors. In the examples cited above, managements set their minds on the new column solutions in preference to troubleshooting: jack hammers to crack nuts,” notes Kister.
Kister’s own book “Distillation Troubleshooting” illustrates similar issues. For example, one case study describes an olefins debutanizer receiving two feeds. The larger feed contained only 8% C4s and was the bottoms of a stripper that removed C3s; with good design that column also would have stripped the 8% C4s. When at one time the larger stream was bypassed around the debutanizer, the steam consumption dived to less than half. As Kister notes: “Whatever does not enter the column does not consume energy.”
Figure 2. Complex 2 had a large demand for low grade heat. Source: KBC.
Another describes how direct-contact compressor intercoolers provided poor cooling for many years, causing excessive compressor energy consumption. This only was noticed after plant rates were raised and the inadequate cooling began restricting throughput. A close review showed that the tower’s pipe distributors had a quality rating index as low as 13% (>75% is good). Debottlenecking with well-designed, inexpensive spray distributors and improved shed decks reduced compression energy and debottlenecked compressor capacity.
Such long-term issues waste huge amounts of time, money and manpower — as further illustrated by the case of a refinery where for 11 years about 2% of the crude oil that should have been recovered as valuable diesel product ended up in the much-less-valuable residue from a crude tower. This also wasted energy because the diesel in the residue was vaporized in a downstream fired heater. A simple water leak test at the turnaround revealed that the diesel draw pan was leaking; seal-welding the joints recovered the lost diesel yield. “Excellent troubleshooting,” comments Kister.
Then, too, there’s the case of a retray project at closer spacing that increased tray count by 50%. This successfully improved product purity — but the new trays operated right at their capacity limit. Because the plant wanted to raise throughput by 15% at the next turnaround, engineers planned to replace the new trays with structured packing. The tower was large, so the replacement would require tons of steel and lots of money. Getting the energy balance to close by solving flowmeter issues revealed that the reflux and reboil were much higher than design, meaning the trays fell well short of achieving their design efficiency. “Modifying the trays solved the problem without the extra steel and expense of the structured packings,” Kister explains.
“In last three cases, managements supported making the troubleshooting solutions: there was no need for sledge hammers,” he emphasizes.
In another experience, a small packed stripper tower was erected to purify a wastewater stream destined for cooling water makeup. The entering wastewater poured above the hats of the liquid distributor. The oversized hats filled most of the cross-section area, leaving little area for vapor ascent simultaneous with liquid descent. The resulting high vapor velocities between the hats blew the incoming water upwards, causing flooding. “Two different consultants studied the problem, the first offering an incorrect diagnosis and an ineffective fix, the second, based on an extensive simulation study, incorrectly concluding that a bigger tower was needed. The plant gave up and junked the tower, with wastewater still going to sewer. Good troubleshooting, and a nickel-and-dime job of modifying the hats and feed pipe, would have produced good water,” he points out.
“Finally,” says Kister, “a new hydrocarbon gas absorber (not by Fluor) flooded at reflux rates exceeding two-thirds of the design due to premature downcomer choke induced by excess foaminess. Based on this diagnosis, we were requested to provide new trays with enlarged downcomers. Our response was: ‘Do we have to?’ Performance is judged by product purity, not reflux. Upon adequate testing, the overhead gas impurity was found tenfold below design. The absorption was good thanks to the colder-than-design reflux. Here the ‘don’t worry, be happy’ approach, based on good troubleshooting, saved resources, energy, and money.”
Process Simulation Successes
The experiences of KBC Advanced Technologies, London, a Yokogawa company, amply illustrate the potential benefits of Bravo’s third category, process control and optimization.
When considering energy in distillation revamps, process simulation built on rigorous thermodynamics, such as KBC’s Petro-SIM, should serve as the fundamental tool for evaluating revamp options, stresses KBC business development executive Andrew McIntee.
“This type of tool can be used to assess all the engineer’s options and calculate the potential for making improvements. Adding heat pumps, side condensers/reboilers and low-grade heat recovery can be fairly straightforward; however the challenge is that there are many options, and the best solution is usually very specific to the application,” he explains.
Pinch analysis enables strategically evaluating options, he notes. These could involve, for example, modifying column pressures to fit in with the background heat availability, and investigating if a heat pump brings any net benefit if it doesn’t recover heat across the pinch. In addition, column pinch analysis allows systematically looking at feed location, temperature and side reboiling/condensing.
“Using powerful and accurate tools, users can consider all the interactions of the column and its equipment with the surrounding asset and complex. Combining these unlocks greater potential than local optimization,” adds McIntee.
As an example, he cites the experience of a client wishing to optimize integration to save energy and capital at a world-scale integrated petrochemical site. Two large facilities there (Complex 1 and Complex 2) had been optimized individually — but TotalSite pinch analysis revealed many valuable opportunities for integration.
For example, the analysis found that Complex 1 potentially could supply very low pressure steam (VLPS) and hot water (Figure 1). However, that facility didn’t have much demand for these. Meanwhile, in Complex 2, Cracker 2 lacked sufficient supplies of low-grade heat (Figure 2).
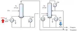
Figure 3. Analysis led to a recommendation for a shift in duty between the two towers. Source: KBC.
Complex 2 had been designed with a heat pump on the C3 splitter. Seen in isolation, this was a rational design because Cracker 2 had a heat deficit and could use a heat pump to recover energy from the condenser. However, the integrated design utilizing hot water from Complex 1 provided both operational savings (6 MW for the heat pump compressor) and capital ones (eliminating the cost of the compressor).
“Overall, the complex was able to generate 22MW of power from low-grade heat, while revised driver selection improved steam balance and reduced capital costs.
An operational quick win was identified through examining the whole distillation train. Modelling it allowed clear assessments of the potential energy saving operation while ensuring the process was not compromised,” says McIntee.
Another example involves a propylene splitter (Figure 3) where a shift in duty between towers was recommended.
Here, C3 separation columns were well integrated with overheads from the first, high-pressure tower (T1), used to reboil the second, low pressure column (T2). Heat input to T1 was used twice. The analysis showed that an increase in duty (supplied by low pressure steam, LPS) in the T1 reboiler reduces the duty of the T2 reboiler by factor of two. This led to a recommendation to maximize LPS use on T1. The overall saving is 2 t/h of LPS worth $450,000/y; a plant trial has confirmed this saving.
A third called for resequencing of debutanizer columns. Here, the original design called for steam reboilers on De-iC4 + De-C4 columns. Due to significant change to alkylation feedstocks and rate during the front-end engineering design, the energy use and, therefore, operating cost rose by nearly 160%.
Pinch analysis and considering the entire plant including the utilities showed a resequencing of the columns (from De-iC4 + De-C4 to De-C5 + C4 splitter) could reduce overall energy use.
The first column utilized excess high-pressure steam while the second column could be fitted with a heat pump.
“Overall energy use returned to near original levels with the cost savings totalling $27.6 million/y,” says McIntee.
Digitalization promises new technologies in the area of distillation energy efficiency improvements, he believes. For example, digital twins and improved data analytics directly integrated with closed-loop advanced process control can identify unusual column operation.
“KBC is completing proof of concepts with multi-period proactive optimization, where energy cost is optimized over a time period. For example, the process is adjusted so that low-priced energy can be stored for better financial benefit later on,” he notes.
“On the grassroots design front, Pinch fully integrated into simulation is almost here, and the next steps are for AI [artificial intelligence]-driven option evaluation and opportunity identification to allow continual optimization by considering all the other changes happening during the design. This moves the process from a linear step to continual iteration and a global optimum,” he concludes.
Seán Ottewell is Chemical Processing's Editor at Large. You can email him at [email protected].




