Ethanol production in the U.S. has grown rapidly during the past two decades, increasing from 175 million gallons in 1980 to 3.9 billion gallons in 2005. Demand, long spurred by the need to replace methyl tertiary-butyl ether, which since 1997 has been under EPA scrutiny as a potential carcinogen, may get a further boost because ethanol now is being considered as a replacement for gasoline. However, this will require improvements in the energy efficiency of ethanol production. Currently, Argonne National Laboratory calculates that it takes 740,000 Btu of fossil fuels to make 1 million Btu of energy from ethanol using corn [1].
Badger State Ethanol (BSE) is one of the 97 biomass-feedstock ethanol plants built in the U.S. as of 2006. Based in Monroe, Wis., BSE has produced ethanol from corn since 2002. BSE’s plant uses a dry mill process in which the starch in the corn is hydrolyzed into sugar and then fermented into alcohol. The major steps in the dry mill process are: milling, liquefaction, saccharification, fermentation, distillation, dehydration and denaturing.
BSE wanted to enhance energy efficiency and so hired Pavilion Technologies to evaluate options for improvement. After some initial work, Pavilion proposed an Advance Process Control (APC) solution focused on the distillation and molecular-sieve-based dehydration steps. BSE set the following main objectives for the APC project:
- increase average production capacity by 3.5% to 7% in the distillation and molecular-sieve operations; and
- decrease distillation and sieve-vaporizer steam usage on the order of 5% per gallon or reduce Btu/gal numbers by 1.5% to 3%.
If meeting the competing goals of boosting production while simultaneously cutting steam costs wasn’t challenging enough, variable feedstock composition also affected optimization. The model wound up more complex than initially anticipated.
The solution, besides effectively managing the temperatures and flows in the distillation and dehydration processes, had to be robust, especially as the facility didn’t have any previous APC experience.
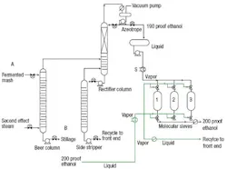
The process
The distillation and dehydration operations consist of three columns and a parallel grouping of molecular sieves (Figure 1).
Figure 1. Three columns followed by a bank of three molecular sieves produce high purity ethanol.
The distillation system is fed with the fermentation process product, a mash that contains 10% to 14% alcohol, water and all non-fermentable solids from the corn and yeast cells (A). The first column, called the beer column, splits the mash into 190-proof (95 vol. %) alcohol and a residue mash called stillage (B). Whole stillage is transferred from the base of the beer column to the co-product processing area. The alcohol goes to a second column or rectifier. The bottoms from the rectifier pass to a side-stripper column — it sends alcohol back to the rectifier, while its bottom stream is recycled to the liquefaction process to reduce heat consumption.
Meanwhile, overhead from the rectifier goes to the dehydration step to yield product that exceeds 99 vol. % alcohol. Without that final drying process, the ethanol produced by fermentation wouldn’t be a viable fuel.
BSE’s dehydration process consists of three vessels, each containing Type 3A zeolite beads, which require regeneration. The units cycle through a sequence of in service, ready and regeneration.
Pressurized, superheated 190-proof alcohol from the distillation system is fed into one of the vessels. Water is exothermically adsorbed on the beads while ethanol passes through the bed. When the beads near full loading, the feed alcohol is diverted to a second vessel ready to take over. The anhydrous ethanol vapor goes to the process for heat recovery, is cooled back to a liquid and sent to storage tanks. Meanwhile, the molecular sieves in the first vessel are regenerated, removing the water by adding energy with recycled product.
The molecular sieves’ water removal ability is impacted by feed temperature, pressure, residence time and composition. The APC application was needed to improve the performance of the system by controlling these variables to achieve maximum water removal at lower energy consumption.
Achieving effective control
Dealing with azeotropic ethanol/water separation and the pressure-swing operations of the molecular sieves required a complex model. Pavilion’s application relies on a nonlinear Model Predictive Control (MPC) methodology — a control algorithm, based on a dynamic model of the process, predicts and optimizes the process’s future response. The MPC algorithm finds the process’s optimum operating point by computing a sequence of manipulated variables’ moves in each control interval. MPC can handle the constraint challenges and disturbances of a highly nonlinear, multivariable system such as the distillation/sieves arrangement in the ethanol process.
The BSE application relies on a combination of first principles and empirical models identified from input/output measurements. These models where created with Pavilion’s state-of-the-art empirical modeling technology combined in a hybrid fashion with well-known fundamental models of ethanol/water separation and sieve adsorption. Empirical modeling alone is often used in MPC because solving a set of complex differential equations in first principles models for the calculation of the optimal sequences at each control interval can be unfeasible.
However, first principles models can add great value to the application by providing understanding of process behavior outside of previous operating ranges (e.g., at 5% higher capacity). Pavilion’s application for the ethanol industry combines comprehensive empirical models and available first-principles models with a constraint-handling multivariable control algorithm.
The first principles models were developed based on heat- and mass-transfer systems and validated using operating data from plant tests also used to develop the empirical models.
The MPC application obtains the current process information and, based on its dynamic model, calculates a sequence of future process moves over a specified time period. An optimization algorithm determines the correct of the manipulated variables so that several objectives can be achieved simultaneously. The control system dynamically compares the predicted trajectory with the process response and corrects for any differences detected. Because of the dynamic trajectory compensation and the taking into account of process constraints, the control system is stable and operationally reliable. Using small steps, the stable process is led gradually to its optimal operating point while larger steps can bring prompt corrections if disturbances affect the system.
The application for the distillation system controls the production rate and quality of the 190-proof product that goes to the sieves. It also keeps the pressure and temperature constraints within the limits to avoid flooding and reduces ethanol losses. Table 1 lists some of the control components for the distillation process.
Table 1. The application predicts changes in controlled variables to moves in manipulated variables and corrects as necessary.
In addition to controlling the differential temperature and pressure in the three columns, the application contains virtual online analyzers for the amount of ethanol in the bottoms of the beer and side stripper columns. The controller also includes models for measured disturbances such as beer feed and hydroheater temperature (e.g., waste heat flashed to the side stripper column). The hydroheater temperature provides a prediction of steam changes going to the side stripper column from the cook flash tank.
Anhydrous alcohol quality control is the most important objective for the molecular sieves. The MPC application controls total ethanol production rate and end product quality by manipulating the sieve pressure and feed flow rate. The controller includes disturbance models for feed composition and temperature. Besides 190-proof flow rate and composition, distillation and sieves variables are linked through the 190-proof tank level.
The benefits
Pavilion’s MPC technology provides a number of operational advantages:
- Model updates and controller tuning can be made while the system is running, enabling rapid and correct implementation of changes in process dynamic behavior or in process limits.
- Models don’t require further adjustment unless there are major modifications to the process.
- The process is kept stable during fluctuations such as changes in the weather, feed composition or temperature.
In addition, BSE has realized significant economic benefits:
- Higher average anhydrous alcohol production has resulted in a 10.24% increase in ethanol production.
- The distillation/sieve/evaporator energy utilization per pound of steam/gallon of ethanol has been reduced by 9.6%.
The APC project has allowed BSE to achieve record production rates by finding optimal process operating conditions, which also has cut the amount of energy needed per gallon of ethanol produced. Thanks to the APC project, BSE has overcome operational constraints that limited its process. Pavilion provided BSE with a tool that continually makes full use of the process’s operating capabilities.
Reference
- Wald, Mathew, “Is Ethanol for the Long Haul?,” Scientific American, p. 42 (Jan. 2007).
Jacob Duke formerly was plant manager of Badger State Ethanol’s Monroe, Wis., plant. Lina Rueda is an advanced process control engineer for Pavilion Technologies, Austin, Texas. E-mail her at [email protected].


