Powder Handling: Deter A Dust-Up
This Month’s Puzzler
I am a new graduate now working as a production engineer at an extrusion plastic manufacturer and would like to make a good start. I manage a process to produce paint pigments and would welcome some tips on optimizing the operation (Figure online).
From what I’ve gathered in a few weeks, we have bouts of clogging in the paint spray nozzles at the extruder. We also see far more fines in the screen than corporate engineering considers appropriate. We change bags every couple of weeks, which seems too often; the bags are tossed in drums as toxic waste.
Laboratory results show a lot of dust collected on the coarse product. Dust sometimes appears to get through the baghouse to the blower. I see dust on the duct connections to the blower and at the outlet to the atmosphere. One operator complained that dust clogs the product container nozzle of the grind collected at the screen.
I talked to several managers and engineers. The production manager said not to worry about it because the plant always has run this way. Someone in corporate engineering suggested digging through the files, hinting this wasn’t the first design for the system. The plant safety manager isn’t worried about the dust but the corporate manager is concerned because exposure to this pigment is a problem in Europe.
Can you suggest anything I should look at to reduce downtime and improve product quality?
Dust Off Old Files
This certainly is a problem that requires attention and a great way to make an impact at your new job. Let’s see: a dust problem in the product, an undertow of politics (corporate engineering is concerned but plant production isn’t), a potential safety and environmental problem, and a reliability issue.
Someone in corporate engineering hinting that this wasn’t “the first design for the system” is a big clue. However, with the production manager unconvinced there’s a problem, you won’t make any headway if you can’t justify at a least a 25% rate of return (four-year payback).
Let’s consider routine things to eliminate: divide the system into before and after the hammer mill. The first step is to review maintenance logs and perform sampling.
Samples are crucial, so you will need funding for sample analysis. If you can’t get that, give up — the politics are against you. Get samples from the feeder, the top (after the air lock) and bottom of the hammer mill, the cyclone discharge, the fines and coarse product, and the dust in the dust collector. You should, at least, have the product dust samples. You’re looking for particle size distributions — where they change and how. Keep in mind that round particles are an anomaly in nature and uniformity invariably means you missed something. Sample at regular intervals for a few months; ideally take winter and summer samples. Also, identify the dryness of the compressed air from utility records; review more than a year’s worth.
Now, consider maintenance. What was the system shut down for? Has anything changed since corporate engineering commissioned it? Was the process ever fine-tuned? Too often, after equipment is installed, nobody checks the product particle size against the details in the equipment vendor’s bid package. Dig into the files; compare the bids in the folders against the actual equipment. Look into what typically goes wrong with screening operations, such as tears in the screen, corrosion in the mill, motor failures, etc.
We’ve focused so far on the back end of the process. Now, let’s consider the front: the hammer mill. Maintenance records may reveal that its motor has given a great deal of trouble, e.g., burnouts, clogging or jamming. This could suggest reducing the tip speed of the mill. Seek help from corporate engineering about electrical issues with the motor. In addition, contact your local winding shop to ask how many visits they’ve made. Because the optimum rotation speed may change with what’s in the feeder hopper, you may want to look into a variable speed drive so you can optimize the speed.
Dirk Willard, consultant
Wooster, Ohio
August’s Puzzler
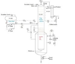
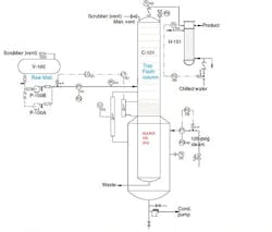
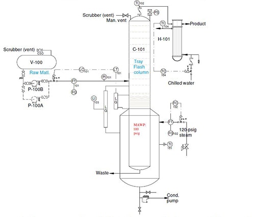
We’ve run our nitric acid purification process (Figure 1) for about ten years. Recently, we shut it down for minor repairs. Less than an hour into the subsequent startup, an explosion occurred. The building was filled with acrid orange-yellow gas. This prompted a unit evacuation. We barely had time to complete the emergency shutdown procedures before the general evacuation. Fortunately, nobody was hurt.
Figure 1. During startup after minor repairs an explosion took place.
Here’s the simplified startup sequence we use: confirm all product and raw material valves are closed except vent valves — only V-100 has a car-sealed open; open waste valve (timer); unlock pump P-100 (choosing either A or B); set P-100 to 0.9 gal/min until the level gauges (LG-103) indicate column C-101 has achieved normal (45%) level; shut down P-100; unlock TC-104 after confirming that isolation valves on H-101 are open; initiate condenser flow (H-101); unlock FC-102 and set steam flow to 360 lb/hr; vent noncondensables from the steam trap using the gate valve upstream; monitor TI-101— when it reaches 265°F, set LC-101 to automatic; restart P-100; raise the high level alarm to 85% and set the low level alarm to 30%; manually adjust the cooling so temperature indicator TI-103 stays below 100°F and TI-104 remains at less than 130°F.
We’ve run this process unchanged for many years. Unfortunately, we’ve lost about 40% of our senior engineers and operators after an investment company purchased the plant.
What do you think went wrong? What can we expect as far as a U.S. Occupational Safety and Health Administration investigation? What can be done to improve the safety of this system? Corporate engineering wants us to start up in three weeks because damage was minor.
Send us your comments, suggestions or solutions for this question by July 10, 2020. We’ll include as many of them as possible in the August 2020 issue and all on ChemicalProcessing.com. Send visuals — a sketch is fine. E-mail us at [email protected] or mail to Process Puzzler, Chemical Processing, 1501 E. Woodfield Rd., Suite 400N, Schaumburg, IL 60173. Fax: (630) 467-1120. Please include your name, title, location and company affiliation in the response.
And, of course, if you have a process problem you’d like to pose to our readers, send it along and we’ll be pleased to consider it for publication.

