Conveyor Handles Powdered Product with Care
Question: How can something so fine be not so fine? Answer: When it is a fine powder material that causes manufacturing headaches.
That is the challenge that International Specialty Products (ISP), an $800-million specialty chemical manufacturer in Freetown, Mass., faced when it started working with a raw material to produce an ingredient in a hair spray product. Unlike many of the other materials ISP processes ," which go into end-use products in the pharmaceutical, photographic, personal care, agricultural, coatings and polymers industries ," this particular material is a fine powder.
Loading, dust problems
The fine-powder nature of this material initially presented some unique problems. ISP received the material in bulk bags and wanted to load it directly into its process vessel. This approach worked well for its highly granular materials, but the fine powder sometimes formed ratholes in the bulk bags in which it was delivered, which in turn created hold-ups in the loading process.
Fran Minnock, an engineer in ISP's process engineering and quality assurance department, says his company had another reason for re-evaluating how it charged this raw material. "We needed to control the dust that the material generated into the production atmosphere," he says. "We needed to improve efficiency, and we needed to accomplish this in an oxygen-free atmosphere."
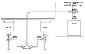
After considering screw conveyors and other vacuum conveyor technologies, ISP decided on PIAB Inc.'s C-Series vacuum conveyor system, which includes an air-driven vacuum conveyor, a pneumatic controller and the bulk bag unloader.
Minnock says that a major selling point for PIAB was that the company allows prospective customers to try its equipment at its testing facilities in Hingham, Mass.
Because health and safety considerations associated with powdered-product transfer precluded ISP from doing a trial run at PIAB's test center, PIAB instead set up a test unit at ISP's facilities. Using the unit under real-life conditions made all the difference in determining its appropriateness for ISP's requirements, Minnock says.
A pneumatic seal forms a dust-free connection between International Specialty Products' bulk bags and its unloader, which helps freely flow product toward the air-driven vacuum conveyor.
Flexibility through modularity
Gaining a complete solution at a cost-effective price was what attracted ISP to the PIAB system itself. But several key features of the system ," such as its modular design, which enables the bulk bag unloader to be mounted remotely away from the conveyor and other flexible options ," also made the system stand out.
In ISP's case, the unloader sits under the hanging bulk bag with the spout of the bag attached to it. A pneumatic seal forms a dust-free connection between the bag and feed assembly for the vacuum conveying system. The feed assembly's nitrogen-fluidized cone, which fluidizes the powder and inerts the transport piping, helps flow product toward the feed point.
If ratholes form in the bulk bag, the cylinder extends, lifting the feed assembly up into the bag, breaking bridges in the material and allowing fresh material to flow. The cylinder can be raised and lowered manually or automatically.
Another notable design point of the system is its vacuum pump, which is driven by compressed air and features high flow rates and deep vacuum down to 27 inches Hg, low energy consumption and minimal noise. Plus, the stainless-steel conveyors are hygienic, resist corrosion and are 100 percent pneumatically operated, eliminating the need for an expensive explosion-proof electrical rating.
Even though ISP is not processing as much material through the 10,000-gallon vessel as it had anticipated, the monetary benefits are nevertheless substantial. Minnock estimates that time savings alone add up to $60,000 a year. As he so bluntly puts it: "We couldn't do this process without this equipment."
ISP is so pleased with the results that it now is negotiating with PIAB to bring a second unit on board for processing another fine-powder material.
For more information about PIAB, Select 494 at www.chemicalprocessing.com/cp/reader_service.

