Process Puzzler: Be Level-Headed With Solids
This Month’s Puzzler
We’re having trouble measuring the solids’ level in our forced-circulation crystallizer that feeds storage bins. The product is a solid with a dielectric constant of about 2.7; however, some impurities have constants of about 12 and others about 5. Screw conveyors transport the water-logged solid to bins feeding re-dissolvers that are the next step in purification. We have difficulty controlling the water content from the crystallizer; excess water flows into the bins. We have used tuning fork contact probes but always have suffered issues related to fouling. Problems included overflows of the bin and grossly inaccurate indicated levels. Out of desperation, we’ve switched to guided radar for continuous measurement.
Is guided radar the right choice? Why do you think the tuning fork probes failed? Can you suggest other options for reducing errors in solid measurement?
Moisture Is Your Enemy
The problem statement doesn’t discuss the scheme for controlling moisture content of the solids leaving the crystallizers. I assume that solid level in the crystallizer is a part of the control system to regulate moisture level of solids.
As far as the level sensing is concerned, tuning fork probes are prone to plugging and so are best for dry powder applications. They would not be a suitable choice for this application.
For crystallizer solids’ level, consider guided wave radar (GWR), pulse radar or ultrasonic probes. Each of the techniques has its own pros and cons. For example, wide variation in the dielectric could affect signal quality of GWR and, hence, accuracy. With digital systems and their algorithms and diagnostics, you can make adjustments to account for variation in the dielectric constants. In addition to variation in dielectric, you also need to consider issues such as moisture condensation, internals of the crystallizer — they could interfere with the signal —and dust. Some vendors offer systems to remove condensation from the horn of the GWR.
Ultrasonic sensors, though not affected by dielectric variations, have their own limitations such as probe plugging and limits on solid particle size. Some vendors state particle size should exceed 0.1 in.
Consider ancillary issues such as the nozzle size required for installing the level sensor, power requirements, and aligning the level transmitter with your current distributed control system.
Also, think about looking into your moisture removal system in the crystallizer.
GC Shah, Senior Advisor
Wood Group, Houston
Don’t Blame The Messenger
Too often instrumentation is called upon to fix production problems that actually have their root in a bad design. If you can’t work around a unit operation problem, then build in spares you can readily switch to when the inevitable failure occurs. Instruments have nothing to do with this type of solution.
Guided wave radar is an excellent replacement for tuning forks. However, neither option will work well if you don’t address the process inconsistency issues.
The dielectric constant is adequate for measurement but the issue about the impurities concerns me. One vendor said that GWR works down to 1.4. Also, wet polar compounds have high dielectric constants and are easier to measure. I wonder how well the instrument can be tuned to measure solids if it detects wet solids better than dry ones.
In addition, solids’ buildup on the instrument could be a problem. While still wells are used with liquids, there really isn’t a good option for wet solids.
Dirk Willard, consultant
Wooster, Ohio
November’s Puzzler
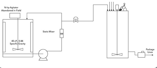
As a process control consultant, I was brought in to fix a blending problem with a set of static mixers installed to replace an agitator (Figure 1). The four static mixers are supposed to blend ingredients together before sending them to a feed tank for a packaging line. The liquid ingredients range from 0.3 cP to 250 cP; there’re also some solid ingredients that make up about 1% of the final volume added. The plant hired me specifically to tune the loops for precise control.
Figure 1. Replacing an agitator with static mixers stirred up problems.
According to the production manager and maintenance engineer, the startup with the new controls was a disaster. They were expecting tuning to solve all their problems. They are refusing to pay me.
In confidence, an operator revealed to me that the plant used to blend these ingredients in a baffled agitated tank by batch; the blended stream goes to the feed tank for packaging lines. However, when the agitator gearbox failed, the maintenance engineer reckoned he could save money by abandoning the agitator in place and replacing it with static mixers — despite the quality control manager’s protests that not using the agitator would make achieving six-sigma results hard. It doesn’t help that some ingredients are solids.
The materials that pass through the static mixers go to the feed tank. That small unbaffled tank has a tiny agitator (for the size of the tank); the tank oscillates like a bobble head.
Should I admit I blew it? Should I have investigated the quality control problem a little more before accepting the job? Is there anything else you can recommend to fix this problem?
Send us your comments, suggestions or solutions for this question by October 11, 2019. We’ll include as many of them as possible in the November 2019 issue and all on ChemicalProcessing.com. Send visuals — a sketch is fine. E-mail us at [email protected] or mail to Process Puzzler, Chemical Processing, 1501 E. Woodfield Rd., Suite 400N, Schaumburg, IL 60173. Fax: (630) 467-1120. Please include your name, title, location and company affiliation in the response.
And, of course, if you have a process problem you’d like to pose to our readers, send it along and we’ll be pleased to consider it for publication.

