Keep motor drives ready for action
As many plant engineers know, there is a disadvantage to removing electrical equipment from service for an extended period of time because of the likelihood of encountering problems while trying to restart it. Whether stored as spare parts or taken offline as part of a production pullback strategy, electrical equipment, such as motor drives, needs to be maintained and activated periodically to keep it in working order.
Motor drives demand attention
The annual reforming of stored or non-operational drives ensures that they remain ready to operate at peak performance and at the operational parameters (settings) that were originally manufactured into the converters. Neglecting this critical maintenance procedure can lead to capacitor damage when the converter starts to operate, and, in the worst case, to failure of the capacitors and the motor drives, which would require unscheduled maintenance. This, in turn, means a delay in restarting a process line. You basically have two choices -- have in-house electrical engineers reform/recharge your array of drives, or call on a third-party supplier for help. Due diligence in this procedure will ensure these drives are recharged, making it easier to bring the drives back on line quickly and efficiently.The following is a guide to the reforming process. The particulars apply to ABB's ACS600 single drive and multidrive units -- but the same guidelines generally apply to all converters. (Note: Converters are the front portion of a drive that convert AC line current to DC current.)
Figure 1:
The required capacitor reforming increases with non-operational time.Time to reform
DC link capacitors need to be reformed, or recharged, if the drive has been non-operational for more than one year. The reforming methods and guidelines detailed here assume that a visual inspection shows the drive has been stocked (non-operational) and/or used in clean and dry conditions.Checking a drive's age
To determine the age of a drive, check its serial number. This defines the week/year in which the converter was built. Serial numbers for ABB, as an example, can be configured in one of the following ways:(1= Finland), 8 equals the manufacturing year (1998), 25th manufacturing week, and 0125 is the manufacturing number.
Reforming time
The converter is kept at a safe voltage during reforming to "wake up" the capacitors. The required reforming time (Figure 1) depends upon how long the converter has been stocked.Stocked less than two years
Switch on the power to the converter for the time shown in Figure 1, method 1. The converter "wakes up" its capacitors by itself. In the case of ABB ACS600 multidrive units, power them up once a year to keep the capacitors in operational condition.Component values for reforming above. (Notes to Table: The part numbers listed under column A are specific to ABB drives, as are the Nan farads measurements of the capacitors in column C. These are by way of example.
Stocked more than two years
If the converters have been stocked for two or more years, use either method 2A or method 2B for capacitor reforming.WARNING! The inverter module of certain multidrive units must be reformed outside the cabinet. Check with your manufacturer regarding specific models/units to which this guideline applies.
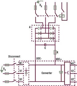
Reforming method 2A. Capacitor reforming is achieved by switching in a rectifier and a resistor circuit, which are connected to the converter DC link for the time given in Figure 1. The reforming circuit is shown in Figure 2. Circuit component values for different voltages are given in Table 1.
Figure 2:
Reforming circuit where A=rectifier; R=resistor; C=capacitorWARNING!
The converter supply must be disconnected while the reforming circuit is connected.Reforming method 2B. This capacitor reforming method is based on availability of a DC power supply, which is connected to a converter DC link. An appropriate reforming voltage is (1.35 to 2 ) X Ux where Ux is the RMS phase-to-phase line voltage. Current from the power supply charges the converter capacitors. The power supply must be able to limit current to
500 mA or less. If the power supply doesn't provide current limiting, then a resistor (R), per Table 1, should be installed as an option (Figure 3). Again, refer to the required reforming time shown in Figure 1.
WARNING!
The converter supply must be disconnected while the reforming circuit is connected.Figure 3:
Reforming circuit where R=resistor.Powerful payoff
Following the procedures outlined for reforming will ensure that drives are at the ready and will prevent damage to the capacitors. The procedures involve far less effort than dealing with the problems that otherwise might occur.Kjell Ingman is a technical manager and Mikko Lammi is a design engineer for ABB Industry Oy. They are based in Helsinki, Finland.



