Probe Plant Personnel’s Understanding
An engineer at a plant should have basic technical competence about the site’s operations. This requires an understanding of plant specifics, the fundamentals of the processes there, the function of the equipment used, and interactions between process requirements and equipment behavior. Some of this knowledge comes from formal education but most stems from experience on the unit; a positive attitude toward spending time exploring the unit and learning from other people in the plant is a big help.
[pullquote]
Troubleshooters and improvement consultants must get answers quickly. Most plants don’t call for outside help until after they have failed to fix things themselves. There’s lots of pressure to get solutions quickly. The outsider needs to rapidly assess the technical expertise of plant staff. The greater their technical ability, the higher the likelihood the information given is accurate.
I myself use several quick checks to get an idea of what plant personnel understand. These checks are unobtrusively built into questions about the problem or situation. Here are five questions I often ask:
1. Can you sketch a process flow diagram (PFD) of the unit to help me understand what you’re doing? Such a sketch is a telltale of whether the engineer or supervisor really knows the unit.
2. Can you give me a one-page PFD of the unit? This indicates how well the unit is understood within the plant.
3. Can you show me where this XXX (insert choice) major equipment is located? The answer provides a clue as to how much time the engineer or supervisor has spent on the unit.
4. Can you introduce me to the main operators for the shifts? This gauges how good the interface between technical support or management and operators is.
5. When is the last time you field checked the YYY (insert some important but inconveniently located measurement point without instrumentation)? The response reveals the likelihood of the plant manually monitoring critical points.
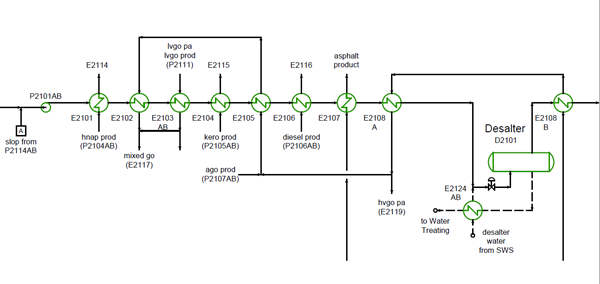
Figure 1. A unit engineer should be able to sketch an adequate and accurate process flow diagram.
These questions are good indicators of plant knowledge. Both outside troubleshooters and plant supervisors can use them to check how much the engineer or superintendent knows.
A unit engineer should be able to sketch the unit from memory — and include on that sketch all the major equipment with numbers, names and service descriptions. Details about major equipment should be generically correct — for example, the engineer should know which fluid is on the shell-side versus the tube-side of every heat exchanger.
This is the basic level of knowledge needed from a plant support engineer assigned to a unit. Failure to provide an adequate and accurate sketch means either the engineer hasn’t been assigned to the unit long, doesn’t understand the importance of these details, or just isn’t doing the required job. Lack of this basic knowledge makes any information offered suspect because the engineer doesn’t know the context. It also indicates the person is unlikely to be able to solve major problems on the unit.
[callToAction ]
PFDs summarize the most important unit knowledge. They show the major possible interactions among equipment. They may include the most crucial control loops as well. PFDs may be complex but nothing beats getting everything most important about a unit on one page or, when absolutely necessary, on two to three pages. (A 20-pp. set of PFDs I got on a recent case certainly made seeing the unit as a whole difficult and time-consuming.) If PFDs don’t exist, it’s likely that many people who think they understand the unit actually don’t.
Free-hand sketching isn’t my strong suit. So, I use CAD software. Figure 1 shows an example segment from a one-page PFD of a unit. It took a while for the importance of one-page PFDs to sink in, but I’ve never regretted the time spent on them. Today, my collection includes PFDs on more than 130 individual units plus hundreds of variants looking at different operating, revamp and modification options.
The final three questions focus on how often the engineer or supervisor gets into the field. Going to the unit is critical for understanding layout, piping configuration, elevations, measurement and sampling locations as well as for building trust with operating personnel. Today, many engineers spend too much time looking at a computer screen in their office. While computers and data analysis software are powerful, base knowledge of unit configuration and operation still counts, often even more than data easily accessible in the computer.


